Introduction of HM prestressed FRP plate strengthening system

Since the HM prestressed CFRP plate reinforcement system has been successfully developed in 2012, it has been successfully applied to a number of practical engineering reinforcement, and has achieved good reinforcement effect and long-term stability.

2020-03-30 13:59:46

Unidirectional carbon fiber fabric manufaturer

Shanghai Horse Construction Co., Ltd is the largest supplier of carbon fiber cloth in the CFRP industry base in China.

2020-03-30 13:54:56

What is unidirectional carbon fiber fabric?

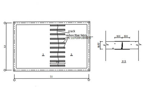
The unidirectional carbon fiber fabric is in one direction (usually meridian) with a large amount of carbon fiber, with only a small amount of carbon fiber in the other direction and usually thin carbon fibers in the other direction, so that all the strength of the cloth is in the same direction.

2020-03-30 13:53:20

Why choose HM carbon fiber fabric for structural strengthening

HM carbon fiber fabric adopts imported raw silk, equipment is also purchased from German equipment, more precision, so the woven carbon fiber fabric is reliable, and can better guarantee the safety of the building.

2020-03-30 13:27:43

Fire resistance of carbon fiber reinforced concrete members

Through the analysis of the fire-resistant properties of various parts, it is found that the original reinforced concrete part and carbon fiber fabric have good fire resistance, while the refractory performance of the adhesive is poor.

2020-03-30 13:39:44

Calculation of the dosage of rebar anchoring adhesive

According to the 10 years experience of post installed anchoring, there is a formula for the amount of HM-500 injectable anchoring adhesive​:

2020-03-30 13:40:40

Advantages of structural strengthening by carbon fiber fabric

Structural strengthening bycarbon fiber fabric is a new type of modern reinforcement technology, which occupies a large proportion in the reinforcement of reinforced concrete(RC) structures, and CFRP is becoming more and more popular 。.

2020-03-30 13:42:13

Carbon fiber impregnating adhesive for CFRP strengthening

Evenly spread the well prepared impregnating adhesive on the bonding part. The carbon fiber fabric ​should be gently pressed and pasted in the position to be pasted according to the direction, position and order of the design.

2020-03-30 13:44:07

Fiber reinforced polymer(FRP) strengthening technology

Sticking FRP in the tensile area of concrete structure can effectively improve its bearing capacity and restrain crack propagation. The damage characteristics of the reinforced concrete structure after the FRP reinforcement are different from that of the ordinary concrete structure and the reinforced concrete structure, and the calculation method of its bearing capacity is different.

2020-03-28 15:35:10

Carbon fiber fabric for concrete structure strengthening

For general structure, carbon fiber fabric or precured carbon fiber plate can be selected according to the actual situation of the project. For long-span structures, heavy structures and other important structures, precured carbon fiber plate should be preferred and reinforcement measures should be taken.

2020-03-30 13:20:36
Back
Top
Close